Запасные части ЧТЗ Запасные части ЧТЗ
Барнаул
Например:
Актобе
Алдан
или
Выбрать автоматически
Актобе
Алдан
Алматы
Алчевск
Архангельск
Астана
Астрахань
Атырау
Баку
Балашиха
Барнаул
Белгород
Бердянск
Бишкек
Владивосток
Владикавказ
Воркута
Воронеж
Горловка
Грозный
Донецк
Екатеринбург
Иваново
Ижевск
Иркутск
Казань
Калининград
Каменск-Уральский
Караганда
Каховка
Кемерово
Киров
Комсомольск-на-Амуре
Костанай
Краснодар
Красноярск
Красный луч
Ленск
Луганск
Магадан
Магнитогорск
Макеевка
Махачкала
Мелитополь
Минск
Мирный (Якутия)
Москва
Мурманск
Нерюнгри
Нижневартовск
Нижний Новгород
Нижний Тагил
Новая каховка
Новокузнецк
Новосибирск
Новый Уренгой
Норильск
Ноябрьск
Нур-Султан
Омск
Оренбург
Ош
Павлодар
Пермь
Петрозаводск
Петропавловск
Петропавловск-Камчатский
Псков
Ростов-на-Дону
Салехард
Самара
Санкт-Петербург
Саратов
Севастополь
Семей
Симферополь
Сочи
Ставрополь
Сургут
Сыктывкар
Тараз
Ташкент
Токмак
Томск
Тында
Тюмень
Ульяновск
Усинск
Усть-Каменогорск
Уфа
Хабаровск
Ханты-Мансийск
Херсон
Челябинск
Чита
Шымкент
Экибастуз
Энергодар
Южно-Сахалинск
Якутск
Ваш город
Барнаул
Войти
Запасные части к тракторам на одном сайте
+7 (932) 303-00-10
+7 (932) 303-00-10
г. Барнаул, ул. Попова, д. 244
Пн-Пт: 9:30-18:30 Cб-Вс: Выходной
Отправить заявку


Порядок разборки бульдозерного оборудования с полусферическим и прямым отвалами ОБ10 ЧТЗ


/
с НДС 20%
Описание
Установить трактор с БО на горизонтальной площадке, установить подставки под отвал и толкающие брусья, остановить дизель.
Расстопорить, выбить пальцы 22 (рис.7) из проушин отвала и головок штоков гидроцилиндров подъема и опускания отвала.

Сборка и установка оборудования бульдозерного моделей Е и В
Рис. 7 Сборка и установка оборудования бульдозерного моделей Е и В
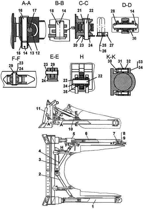
1, 6-брус; 2-тяга; 3-балка; 4-подкос; 5-гидрораскос; 7-опора шаровая; 8, 25, 34-болт; 9, 13, 26, 33-шайба; 10-раскос винтовой; 11-отвал; 12-крестовина; 14, 24-шплинт; 15, 30-гайка; 16, 17, 18, 22, 23, 28, 29-палец; 19-серьга; 20-стопор; 21-сфера; 27-скоба; 31-прокладка; 32-крышка; 35, 36-втулка

Отвернуть и вынуть болты 34 крепления крышек 32, снять крышки и прокладки.
Отвернуть гайки рукавов на гидрозамке, слить из них рабочую жидкость.
Пустить дизель, втянуть штоки гидроцилиндров подъема и опускания отвала и задним ходом продвинуть трактор за пределы толкающих брусьев, остановить дизель.
Снять гидроцилиндры подъема и опускания отвала. Для этого: отсоединить шток цилиндра от навесного оборудования. Отвернуть накидные гайки рукавов высокого давления от труб гидроцилиндра. Снять дополнительную угловую трубу подвода масла. Закрыть отверстия в цилиндре и рукавах для предотвращения попадания пыли. Застропить цилиндр. Отвернуть три гайки крепления крышек.

Гидроцилиндр подъема-опускания отвала
Рис. 13 Гидроцилиндр подъема-опускания отвала
1-цилиндр; 2, 5, 7, 10-крышка; 3-шток; 4-сфера; 6-масленка; 8-втулка; 9-бугель; 11-болт; 12-шайба; 13-гайка; 14-сухарь; 15-труба; 16-шпонка

Снять переднюю крышку 2 (рис. 13) и вынуть из отверстий крышек и цилиндра болты 11. Снять цилиндр с цапфы, поддерживая от выпадения два сухаря 14 и две шпонки 16.
Застропить раскос 10 (рис. 7), расстопорить и выбить пальцы 23, 29 и 28, снять раскос. Расстопорить, выбить пальцы 29 и снять подкос 4.
Расстопорить, выбить пальцы 19 и снять балку 3, тягу 2 и серьгу 20.
Застропить гидрораскос 5, выбить пальцы 23, 29 и 28 гидрораскоса.
Поднять гидрораскос, переместить и уложить на подставку.
Расстопорить, выбить пальцы 16, соединяющие толкающие брусья 1, 6 с отвалом.
Застропить толкающие брусья, поднять, переместить и уложить на свободное место.
Выбить пальцы 18 и снять крестовины 17 из проушин отвала.
Разобрать, при необходимости, гидрораскос, для этого вывернуть болты, снять кожух 7 (рис.3) гидрозамка, отвернуть гайку 5, снять гидрозамок 8.
Гидрозамок, отказавший в работе, следует заменить новым.

ЗАПРЕЩАЕТСЯ РАЗБОРКА ГИДРОЗАМКА
Порядок разборки бульдозерного оборудования с полусферическим и прямым отвалами